Skip to main content
Pozdravljeni, Prijava

Nakupuj po oddelku

Pomoč in nastavitve

Nedavna iskanja

Dostava od 4,99€
30-dnevna vračila
100% varno plačilo
Garancija kakovosti

Paket 5 motorjev Nema 17 za 3D tiskalnik z ravno osjo in 58.30 oz-in

Znamka: satkit

Shrani 2% Prej: 51,24 €
50,00

DDV vključen (Brez DDV: 40,98 €)

Količinski popusti

Količina Cena Shrani
2+ 49,19 € -4%
10+ 47,65 € -7%
20+ 43,55 € -15%
Omejena zaloga
Standardna dostava Sre, Apr 29 - Pet, Maj 1
Ekspresna dostava Pon, Apr 27 - Tor, Apr 28
Vračila v 30 dneh
Brezplačna vračila v 30 dneh
Varna transakcija
Visa Mastercard PayPal Apple Pay Google Pay Bizum
Share:
Brezplačna dostava Dostava od 4,99€
Enostavna vračila 30-dnevna politika vračil
Varno plačilo 100% varen zaključek nakupa
Garancija kakovosti Samo originalni izdelki

Ta paket vključuje 5 koračnih motorjev (PAP) Nema 17 z ravno osjo, zasnovanih posebej za 3D tiskalnike in elektronske projekte, ki zahtevajo natančnost in moč.

Glavne lastnosti:

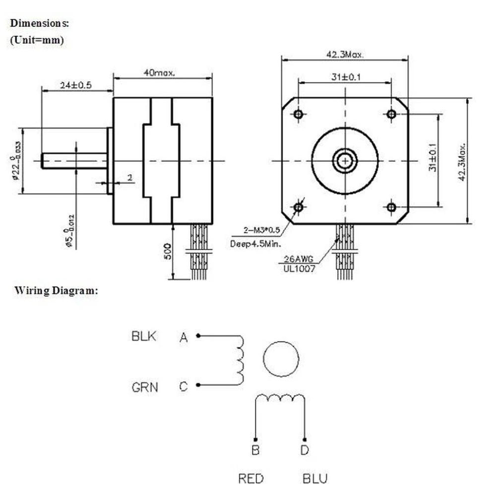
  • Številka dela: JK42HS40-1704 13A
  • Velikost okvirja: NEMA 17
  • Kot koraka: 1,8 stopinje, idealno za natančne premike
  • Napetost: 3.4V
  • Tok: 1,7 A na fazo
  • Upor: 2,0 ohmios na fazo
  • Induktivnost: 3,0 mH na fazo
  • Navor (torzijska sila): 4000 g-cm (58.30 oz-in), kar zagotavlja dovolj moči za premikanje osi v 3D tiskalnikih
  • Vztrajnost rotorja: 54 g-cm²
  • Zadrževalni navor: 0,22 kg-cm
  • Število žic: 4
  • Teža: 0,29 kg na motor
  • Dimenzije: Skupna dolžina 40 mm, os motorja 5 mm s sprednjo dolžino gredi 20 mm
  • Certifikati: CE, ROHS, ISO9001

Poleg tega paket vključuje 5 kablov dolžine 1 meter s konektorji, združljivimi z motorji, kar olajša namestitev in povezavo v vaših projektih.

Tipične uporabe:

  • 3D tiskalniki, ki zahtevajo motorje Nema 17 z ravno osjo za boljši oprijem
  • Robotika in avtomatizacija, ki zahtevata natančne in zanesljive koračne motorje
  • Elektronske naprave, ki uporabljajo PAP motorje za krmiljenje gibanja

Združljivost: Ti motorji so združljivi z večino standardnih krmilnikov in gonilnikov za koračne motorje Nema 17, ki se pogosto uporabljajo v 3D tiskalnikih in sistemih Arduino.

S tem paketom 5 kosov dobite celovito rešitev za obnovo ali sestavo vaših 3D tiskalnikov z motorji visoke kakovosti in zagotovljenim delovanjem.

  • Paket 5 koračnih motorjev Nema 17 z ravno osjo
  • Navor 58.30 oz-in (4000 g-cm) za natančne premike
  • Kot koraka 1,8 stopinje za visoko ločljivost
  • Vključuje 5 kablov dolžine 1 meter s konektorji za enostavno namestitev
  • Certifikati CE, ROHS in ISO9001 za zagotovljeno kakovost
  • Majhna teža 0,29 kg na motor za enostavno vgradnjo
  • Os motorja 5 mm s sprednjo dolžino gredi 20 mm
  • Združljivo s standardnimi krmilniki za 3D tiskalnike in Arduino

Vprašanja in odgovori kupcev

Kaj vključuje paket motorjev Nema 17?

Paket vključuje 5 koračnih motorjev Nema 17 z ravno osjo in 5 kablov dolžine 1 meter s konektorji za lažjo namestitev.

Kakšen je navor vsakega motorja?

Vsak motor ima navor 58.30 oz-in (4000 g-cm), primeren za uporabo pri 3D tisku.

Ali so ti motorji združljivi z običajnimi 3D tiskalniki?

Da, ti motorji Nema 17 so združljivi z večino 3D tiskalnikov in standardnih krmilnikov, vključno s sistemi na osnovi Arduino.

Kakšne certifikate imajo ti motorji?

Motorji imajo certifikate CE, ROHS in ISO9001, kar zagotavlja kakovost in skladnost s standardi.

Kakšna je dolžina osi motorja?

Os motorja ima premer 5 mm in sprednjo dolžino gredi 20 mm.

Napišite oceno izdelka

Kupci, ki so kupili ta izdelek, so kupili tudi

50,00 € Na zalogi
je pravkar kupil ta izdelek
Paket 5 motorjev Nema 17 za 3D tiskalnik z ravno osjo in 58.30 oz-in Paket 5 motorjev Nema 17 za 3D tiskalnik z ravno osjo in 58.30 oz-in
50,00 €51,24 €